ND090系列精密行星減速器型號如下,不同廠家的行星減速機型號表示方式之間有差異,具體型號可咨詢客服了解,或者直接撥打我們的聯(lián)系方式。
| ND090系列超精密背隙行星減速機系列: | ND090系列精密背隙行星減速器系列: | ND090系列標準背隙行星減速機系列: |
| ND090-4-S2-P0 | ND090-4-S2-P1 | ND090-4-S2-P2 |
| ND090-5-S2-P0 | ND090-5-S2-P1 | ND090-5-S2-P2 |
| ND090-7-S2-P0 | ND090-7-S2-P1 | ND090-7-S2-P2 |
| ND090-10-S2-P0 | ND090-10-S2-P1 | ND090-10-S2-P2 |
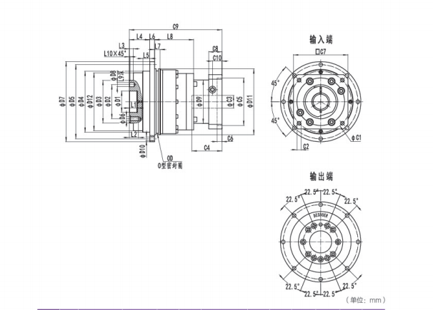
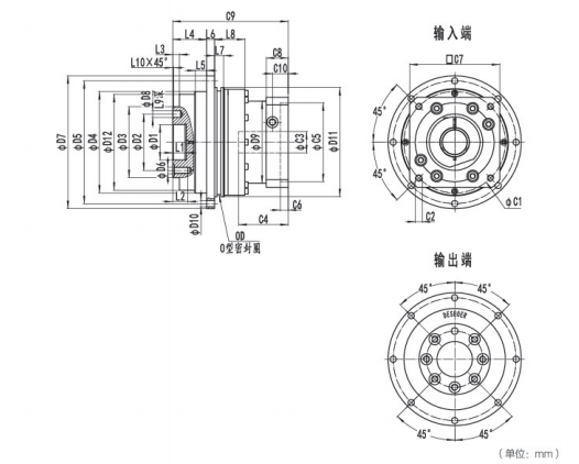
ND090系列精密行星減速器內部齒輪采用20CrMnTi滲碳淬火和磨齒具有體積小、重量輕,承載能力高,使用壽命長、運轉平穩(wěn),噪聲低、輸出扭矩大,速比大、效率高、性能安全的特點。兼具功率分流、多齒嚙合獨用的特性。是一種具有廣泛通用性的新型減速機。最大輸入功率可達104kW。適用于起重運輸、工程機械、冶金、礦山、石油化工、建筑機械、輕工紡織、醫(yī)療器械、儀器儀表、汽車、船舶、兵器和航空航天等工業(yè)部門行星系列新品種WGN定軸傳動減速器、WN子母齒輪傳動減速器、彈性均載少齒差減速器。

更多行星減速機的型號性能參數請查看http://www.vem2.com/index/product/140



